2020-03-26 作者: 來源:
一、企業簡介
天(tian)津市中(zhong)(zhong)重科技工(gong)程有限公司創建于2001年6月,坐落(luo)在天(tian)津市北辰經濟技術(shu)開發(fa)區,現有員工(gong)400余人,其中(zhong)(zhong)研發(fa)人員112人,主導(dao)產(chan)品為冷熱軋(ya)(ya)帶鋼(gang)(gang)、型鋼(gang)(gang)、棒線材軋(ya)(ya)制生產(chan)線系列成套(tao)設備及特種金屬壓延設備,在中(zhong)(zhong)寬精密帶鋼(gang)(gang)生產(chan)線市場占有率(lv)90%以(yi)上(shang)。
公司是典型的面向客戶訂單進行設計制造、以項目制整機開展業務的模式。每年生產冷熱軋帶鋼、型鋼、中厚板、棒線材軋制生產線十條以上。

二、企業改善需求
中(zhong)重(zhong)科(ke)技(ji)作為(wei)行(xing)業內龍頭企業,客(ke)戶多為(wei)國內外知名企業,合作單(dan)位(wei)對信息(xi)化的要求和理解高(gao),為(wei)提高(gao)自身影響力、加(jia)強(qiang)與同行(xing)業的競爭力,主要有如下(xia)幾點需求需要優化解決(jue):
實(shi)現產(chan)品數(shu)據之間內部關系(xi)檢索,快速(su)定位數(shu)據結(jie)果,提高檢索效率(lv);實(shi)現項目及產(chan)品資料(liao)文(wen)檔集中規(gui)范(fan)管理;實(shi)現企業各類(lei)技術(shu)文(wen)件版本管理,保證文(wen)檔數(shu)據輸(shu)出的準確性。
實現二維權(quan)限(xian)管(guan)理,在資料使用的流(liu)轉過程(cheng)中(zhong)按人和產品來區分文(wen)件不(bu)同權(quan)限(xian)。
實現無紙化辦公,固化現有流程流轉節點(dian)及人員線(xian)上審批(pi),實現文檔資料的時效(xiao)性可控(kong)。
實現PLM系統與ERP系統數據貫通,避免信息孤島對(dui)企(qi)業整體(ti)信息化工作(zuo)帶來的影(ying)響。
三、中重科技PLM解決方案
方案簡述

結合(he)中重(zhong)科技(ji)(ji)(ji)的(de)實際業(ye)務需求,CAXA提(ti)供了以(yi)協同管(guan)理(li)為基(ji)(ji)礎的(de)中重(zhong)科技(ji)(ji)(ji)技(ji)(ji)(ji)術(shu)管(guan)理(li)平(ping)(ping)(ping)臺,基(ji)(ji)于功能(neng)模塊技(ji)(ji)(ji)術(shu)人(ren)員可以(yi)在(zai)平(ping)(ping)(ping)臺中按照工(gong)作(zuo)流(liu)程開展工(gong)作(zuo)將技(ji)(ji)(ji)術(shu)數(shu)據(ju)準(zhun)確、快速的(de)上傳(chuan)到平(ping)(ping)(ping)臺中,形成有序、高(gao)效的(de)管(guan)理(li)。再通(tong)過ERP集成,讓技(ji)(ji)(ji)術(shu)管(guan)理(li)平(ping)(ping)(ping)臺的(de)數(shu)據(ju)可以(yi)為中重(zhong)科技(ji)(ji)(ji)其它信息(xi)化(hua)系(xi)統傳(chuan)遞、準(zhun)確的(de)提(ti)供數(shu)據(ju)支(zhi)撐。
1、統一研發部的二維CAD設計軟件、圖紙模板標準化
應用統一的圖(tu)紙設(she)計軟件(jian)CAXA-電子圖(tu)板(ban)代替(ti)原有的AutoCAD,設(she)置(zhi)了適合中重科技的標準模板(ban)。


2、將圖紙等項目資料納入PLM系統管理,技術資料通過樹視圖呈現

3、實現按人和產品來區分技術資料不同權限管理
通過(guo)角(jiao)色權限(xian)實現不(bu)同(tong)人對應不(bu)同(tong)權限(xian)。通過(guo)產品樹和(he)文檔樹的權限(xian)管理實現二次授(shou)權和(he)動態授(shou)權


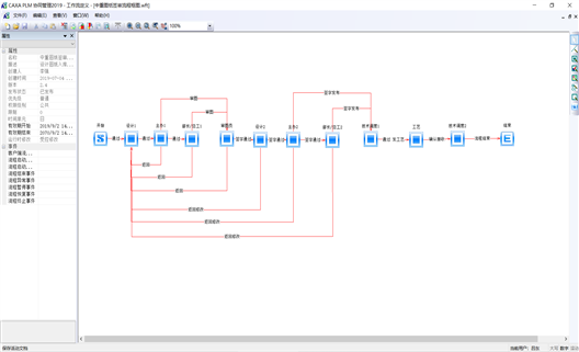
4、建立工作過程的管控,確保項目高效執行
統一、固化了研發部(bu)門所(suo)用流(liu)程、通過流(liu)程管理實現(xian)電子簽審(shen)、無紙化辦公,版本清晰,有效性(xing)明確。

5、建立統一物料編碼體系,確保編碼準確、規范
在設計(ji)或(huo)工藝環節,技術(shu)人員可以確(que)定物料編(bian)碼,填入到(dao)圖紙或(huo)者(zhe)零(ling)件的(de)屬(shu)性中,確(que)保編(bian)碼的(de)準確(que)性和規范性。


6、PLM系統與ERP系統的集成,保證數據完整、準確
在工藝(yi)編(bian)制(zhi)完成后,技術人員將BOM信(xin)息和工藝(yi)信(xin)息導出(chu)給SAP ERP,保證下游業務體系數據的完整性(xing)、準確性(xing)。

四、實施成效
1、幫(bang)助企業解決(jue)產品數據管理效率(lv)低(di)下(xia)的(de)問題,確(que)保了產品數據的(de)時效性、保密性;
2、幫助設計(ji)人員(yuan)在日常編(bian)碼申請(qing)(qing)工(gong)作(zuo)中,貫徹執行(xing)企業標準,提(ti)高編(bian)碼申請(qing)(qing)效率(lv),減少人工(gong)申請(qing)(qing)工(gong)作(zuo)帶來的“手誤”問題,編(bian)碼正確率(lv)在99.7%以上;
3、協助企業(ye)搭建(jian)的(de)數據(ju)管理平臺(tai),實現線上審批(pi)各類技(ji)術資料,打(da)通設計(ji)、工(gong)(gong)藝(yi)部門人員在日常工(gong)(gong)作中遇到的(de)“溝通不暢”、變更無法及時通知等多種(zhong)問題,使得(de)研發周期縮短10%,設計(ji)返(fan)工(gong)(gong)率(lv)下降20%。
4、減少(shao)設計(ji)、工藝部門紙質資(zi)料(liao)打(da)印量,打(da)印室用紙量下降(jiang)80%。
5、打通設計與采購、財務之間數據溝(gou)通困難的問題,通過與ERP系統集成,實現(xian)產品BOM無縫傳遞(di)。